Koble Om Fra 400 Volt Til 230 Volt

Fra 230V til 400V .

Koble Om Fra 400 Volt Til 230 Volt

Koble om fra 400v til 230v trefas - Hus, hage og oppussing - Diskusjon.no

► Strøm til garasje 230v vs 400v · Bruker-handlinger · Skriv ut · Kjøpe elbil · Elbiltester · Ladebrikke · Bedriftsmedlemskap · Ladeklubben · Elbilappen · Ladekart · Elbilvelgeren · Om oss · Medlemsservice · Kontakt oss · Pressekontakt · Ansatte · Lokalforeninger ·

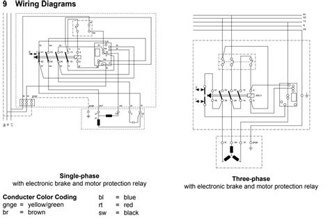
Har ikke finlest, men det synes som en enkel jobb å bygge om fra 400V til 230V. Amatør som fikler med mangt og tror han kan alt. Det er slik skjemaene på side 9,10,12,13,14 og 15 må forstås, ja; elementene kobles om fra stjerne til trekant (sånn at det blir et element mellom L1/L2, ett mellom L2/L3, og ett mellom L1/L3), og "styrestrømkretsen" (til venstre på skjemaene, med Q1 og C1) kobles om fra L+N til å forsynes fra to (uansett hvilke) av L-lederene.

Går ut ifra at det er snakk om en vanlig enfaset kontakt her. Da er det en fase med 400V og en med 0V (nøytralleder) Når man da kobler inn en belastning over disse fasene blir det over forbrukeren 230V .

Har ei Gjerdesag Ernex 1603 med trefas-400volt motor (2005mod) . Går det å koble om motoren til trefas-230volt ??Eller må det ev.kjøpes ny motor? Må vel då og kanskje ha ny start/stop bryter,motorvern??

Gått til innkjøp av løftebukk til garagen• har kun 230v 3 fas i garagen men løftebukken er 400v kan denne kobles om til 230v drift ."

Tr1pp3r, det trenger du ikke, for 400V nett er alltid 3fas + en null ledning . En null ledning blir i teorien det samme som en jordledning. Når du bruker en av fasene i kombinasjon med null får du 230V Men når jeg tenker meg om, så vil du vel gjerne har det på alle fasene.

For more information, click the button below.

Koble om fra 400v til 230v trefas - Hus, hage og oppussing - Diskusjon.no

Omformer 230 til 12 volt - Hytte & Fritidsbutikken AS - Solbua.no

Koble om fra 3fas 400V til 3fas 230V på båndsag - ByggeBolig

Koble om fra 3fas 400V til 3fas 230V på båndsag - ByggeBolig

-

Har jeg da mulighet for 3 fas 400 volt på denne kabelen eller bør jeg legge inn en leder til nå før jeg fyller igjen? Det er vel "PE" jeg mangler? Du kan få 3 fas 400 volt, men ikke ha mulighet til 230 volt av noe slag .

Post by Andreas Haffner Og hvor får de sin 230V en-fase fra? 400V stjerne gir 400 x sqrt(3) volt i delta? 400 V / sqrt(3) = 230 V mellom fase og null . Akkurat som i nyere anlegg i Norge. Men det var snakk om STJERNE-koblet 400V! og da er det bare 400V GANGER sqrt(3) utover selve 400V som er

Man kan ta ut 230 volt enfase fra 400 volts trefaseuttakene ved å benytte seg av følgende overgang :

Utregningen blir da 20mA = 50V / 2,5kohm . 20mA er strømmen som en jordfeilbryter skal slå ut på. Fordelen med 400 volt er at det er mindre tap i kablene for everket og de kan også være tynnere.

Jeg antar at styrespenningen for 400 V pumpen tas ut mellom fase og 0, og derved kjøres med 230 volt. sirkulasjonspumpen vil jeg også tro er mulig å koble om eller skifte til en 230 V utgave .

Tags

Author

Alfon

Inspirert av engasjementet for utdanning og skolens levende hverdag har jeg bygget min profesjonelle vei med mål om å bidra til elevenes helhetlige utvikling. Jeg søker å forene pedagogisk kunnskap, praktisk erfaring og lyttende tilstedeværelse, og utvikler pedagogiske tiltak som respekterer mangfold og styrker individuelle identiteter. Min akademiske utdanning ved anerkjente institusjoner, kombinert dengan kontinuerlig erfaring i klasserommet, danner grunnlaget for å skape meningsfulle læringsløp basert på dialog, omsorg og stimulering av kreativitet. - integration.bilservice.no.